3906引脚图和原理图

发现 20+ 张关于 3906引脚图和原理图 的高清图片素材

20+
相关素材
4K
高清画质
免费
商用授权
游客
永久下载

该仪器完全符合标准iso3906-198

图片尺寸934x666

mmpq3906参数datasheetpdf下载

图片尺寸850x1100

b 电路用的是2n3906三极管,pnp型,同样把蜂鸣器ls2接在三极管的集电极

图片尺寸500x259

主要部分:原理图:照片:k1410 三极管d类功放(试验,1.1版)

图片尺寸708x424

a3906sestr-t,a3906sestr-t pdf中文资料,a3906sestr-t引脚图,a3906

图片尺寸850x1100

uc3906应用电路

图片尺寸481x307

三款uc3906典型应用电路分享

图片尺寸800x573

科学家开发高效偶联适体新方法,推动新型功能性核酸生

图片尺寸1031x334

2n3906三极管

图片尺寸920x1301

liteon三极管mmbt3906封装sot23晶体管丝印2a贴片三极管

图片尺寸1079x708

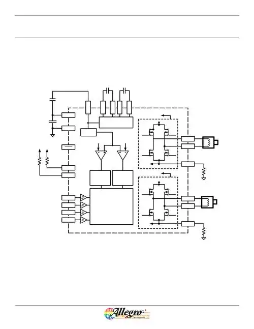
uc3906引脚功能uc3906内部方框图

图片尺寸803x634

2n3906,2n3906 pdf中文资料,2n3906引脚图,2n3906电路-datasheet-电子

图片尺寸827x1169

smbt3906s datasheet(4/8 pages) siemens | pnp

图片尺寸892x1263

smbt3906 pdf下载及第5页内容在线浏览

图片尺寸993x1418

使用 pdv-p5003 光电管点亮 led 的 2n3906 夜灯电路示例原理图

图片尺寸490x504

pzt3906 参数 datasheet pdf下载

图片尺寸850x1100

图1 uc3906内部结构框图

图片尺寸523x427

2 mcp3906的引脚功能 mcp3906采用24引脚ssop封装,其引脚排列

图片尺寸447x463

三款uc3906典型应用电路分享

图片尺寸996x516

uc3906充电

图片尺寸826x432

相关推荐

发现更多你可能感兴趣的图组