原创赵丽颖深夜更博又配图仅用一行字力挺张含韵真正感情一目了然

高清图片下载 免费 安全无风险
原创赵丽颖深夜更博又配图仅用一行字力挺张含韵真正感情一目了然

原创赵丽颖深夜更博又配图仅用一行字力挺张含韵真正感情一目了然

点击图片查看原图

图片信息

  • 格式: JPG
  • 尺寸: 804x507
  • 大小: 约1.2MB

版权声明

相关标签

自然风光 高清壁纸 4K画质

分享图片

相关推荐

基于当前图片的相似推荐

【四季十二型色彩诊断一暖春型】.代表女星:赵丽颖,张含韵,杨 - 抖音

张含韵晒戴口罩自拍,被指撞脸赵丽颖,本尊却称对方有一点不如她

张含韵独得赵丽颖发文助威,十几年姐妹情深,韵韵子成团夜冲呀

赵丽颖和张含韵关系很好,节目上常互怼,原来两人很早就同台过

今日看点:王一博,罗云熙,蔡徐坤,赵丽颖,张含韵

演同一部戏,用同一个暖手袋,赵丽颖张含韵闺蜜情深!

都是走红毯,当张含韵赵丽颖同台亮相,没对比就没伤害!丨偶像

赵丽颖和张含韵怎么认识的揭晓 两人竟然相识了十多年

张含韵和赵丽颖两个人都是大家熟悉的人物,也各自在自己的岗位上非常

娱乐圈再现姐妹情深,赵丽颖发文鼓励张含韵!两人是多年好友

张含韵新发型曝光,整个人年轻十岁_赵丽颖_什么_标准

赵丽颖张含韵吃东西根本停不下来汪涵有些人是要减肥的

随机推荐

发现更多精彩图片

任嘉伦穿黄色针织衫好显白,搭配白色休闲裤,阳光可爱又帅气_哥哥_层次

关晓彤氧气感随拍 啊啊啊啊晓彤好瘦好薄

罕见的花卉!吉祥如意.

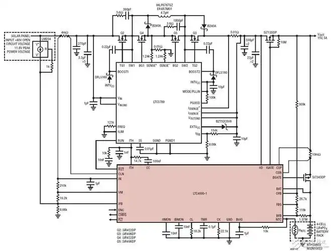
降压-升压型转换器4节磷酸铁锂(lifepo4)电池充电器电路图

章子怡真没有中年人的自觉扎少女感麻花辫配搞怪耳饰真嫩

王者荣耀小头像来啦敲可爱的虞姬一枚鸭

创意感十足!nahuel bardi 稀奇古怪的抽象人物漫画

情侣头像丨情侣头像酷酷帅帅拽的510

慎入,脚趾甲就该剪出血

去云南旅游6日自由行攻略,云南自由行六天5晚路线安排,实用规划