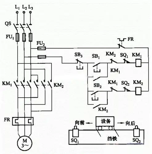
三相异步电动机手动正反转控制电路

高清图片下载 免费 安全无风险
三相异步电动机手动正反转控制电路

三相异步电动机手动正反转控制电路

点击图片查看原图

图片信息

  • 格式: JPG
  • 尺寸: 1230x758
  • 大小: 约1.2MB

版权声明

相关标签

自然风光 高清壁纸 4K画质

分享图片

相关推荐

基于当前图片的相似推荐

电动机正-停-反转控制原理图 主电路 控制电路

电动机正反转控制模块接线图

图8-11 电动机正反转控制电路

求单相电机带2个电容用2个接触器正反转电路图

三相异步电动机接触器按钮双重联锁正反转控制电路

三相异步电动机双重连锁正反转控制电路图带显示灯

三相异步电动机正反转控制电路见附图.

求设计的正反转的电路图

行程开关控制电机正反转电路图

电动机正反转控制电路

4.5kw电动机正反转控制线路并含信号指示灯绘制电气原理图

随机推荐

发现更多精彩图片

周华健:被嘲夫妻像母子,爆红时隐退,你以为的过气实则另有隐情

女生头像|港风复古头像

张雪迎《白发王妃》来袭,男主被嘲颜值不够,被罗云熙碾压

法云安缦 - 杭州精品酒店 - 安缦官网

他曾是拿36块金牌的运动员,进娱乐圈后名声大起,还抱得美人归_晋松

全臂 送4张半臂 纹身贴防水男女花臂彩色麒麟貔貅招财图案贴纸

古法架子肉#它虽然也是烤出来的,但是和一般的烤肉方法不同.

0成交33套相似21秋冬新款男士加绒休闲裤加厚保暖长裤男西裤大码弹力

黑白渐变曲线背景模版