爱心名字78

高清图片下载 免费 安全无风险
爱心名字78

爱心名字78

点击图片查看原图

图片信息

  • 格式: JPG
  • 尺寸: 1080x1051
  • 大小: 约1.2MB

版权声明

相关标签

自然风光 高清壁纸 4K画质

分享图片

相关推荐

基于当前图片的相似推荐

名字组成的心形图片!帮忙做两张!一个叫林志玲!一个叫江张宏好吗!

求ps大神用张莹的名字拼成个爱心,谢谢各位大神了

麻烦ps大神用李芳琪的名字拼成个爱心谢谢了

爱心长卷纸写520名字可爱网红创意diy送男女朋友生日定制节日礼品

跪求名字组成的心形图片 把这张图片上的字改成 余琳玲

求大神帮做一张心形图,用名字拼成的 有样图

都灵欧洲欧洲an城市名字爱心旅游标识偶像design设计照片

能给我做一张心形文字图片吗,把名字改成徐慧

爱心情侣刻字百家姓钥匙扣姓氏名字桃心木质创意小礼物实木挂件名字

98手写名字卡片|满满的爱心 95_书法_派对_新加坡自由行热门攻略

求大神,帮做心形文字图片,带样图, 把名字改成张硕硕,谢谢了!

随机推荐

发现更多精彩图片

陈伟霆连续3天回何穗家#陈伟霆对寸头的精准把控!陈伟霆|陈伟霆超话

生日快乐问候概念金色18岁生日快乐气球问候背景.三维渲染照片

宋慧乔这组照片也太好看了吧

《怦然心动》:时光默默,静待花开_色彩_约翰尼_故事

金普新区党群服务中心关向应纪念馆练好防疫内功复馆补钙驱疫

代乐乐《恶棍天使》的精彩剧照!

捡到一条将军皮带啊,24k金.求验证~真有这玩意的吗?

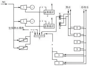
燃气冷热电三联供技术及其应用情况

挑战100个简笔画教程|(21)教你画霸王龙-度小视

记录一下工作吧,毕竟也工作四年了.不知 - 抖音