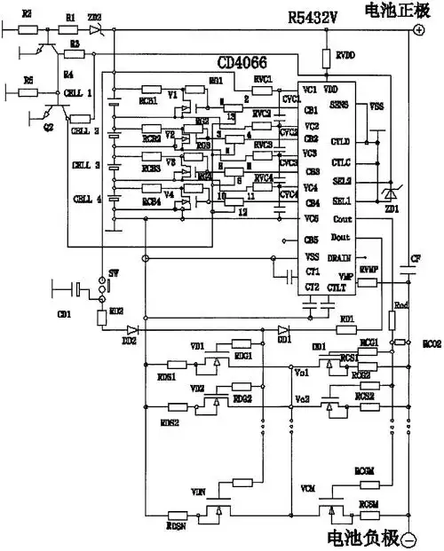
一种多节锂电池多功能保护电路的制作方法

高清图片下载 免费 安全无风险
一种多节锂电池多功能保护电路的制作方法

一种多节锂电池多功能保护电路的制作方法

点击图片查看原图

图片信息

  • 格式: JPG
  • 尺寸: 626x1000
  • 大小: 约1.2MB

版权声明

相关标签

自然风光 高清壁纸 4K画质

分享图片

相关推荐

基于当前图片的相似推荐

一种新型大电流可充电锂电池保护板电路

电池保护板工作原理图

锂电池保护板的工作原理解析!

动力型锂电池保护板 - lizonghua53 - 亲爱的博友,这里有你喜欢的,有

锂电池放电保护电路

最流行的笔记本电池保护板电路图

笔记本电池电路及保护电路的作用

下图为一个典型的锂电池保护电路原理图.

8205s芯片做锂电池保护板的原理图

单节锂电池保护板电路方案设计 (protel 99)

简述锂离子电池保护板的原理

随机推荐

发现更多精彩图片

影楼主题黑色婚纱赫本风韩版礼服时尚复古写真简约缎面蓬蓬拖地裙

天天开心02.#治愈系笑容 #笑容杀 #笑起来很甜 #王俊凯 - 抖音

安踏11个回收塑料瓶1件唤能科技服装

青之驱魔师打招呼hellogif动图_动态图_表情包下载_soogif

qq优质玩网部位情头 校园风穿制服的部位情头高清真人图片_情侣头像

口罩防晒夏季独立包装可爱小脸印花kf彩色口罩

广州这家天河城百货即将和市民说再见_北京路_南都_优惠

100种用竹子做的玩具(100种用竹子做的玩具图片)-天晟网

魔道祖师:忘羡婚后夜猎

[9.5新]卡地亚自动机械男表