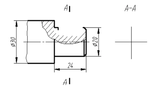
机械设计中什么是键?什么是键槽?_百度知道

高清图片下载 免费 安全无风险
机械设计中什么是键?什么是键槽?_百度知道

机械设计中什么是键?什么是键槽?_百度知道

点击图片查看原图

图片信息

  • 格式: JPG
  • 尺寸: 793x743
  • 大小: 约1.2MB

版权声明

相关标签

自然风光 高清壁纸 4K画质

分享图片

相关推荐

基于当前图片的相似推荐

03-键,销连接(2011-2012-2)设计b48ppt_word文档在线阅读与下载_免费

图中所示轴上键槽深度为() [图]a,3 mmb,4 mmc,5 mmd,... - 上学吧找

键槽深度该怎么标注,哪一种标注是对的? - 机械综合 - 机械村

键槽cad标注_3d溜溜网

图示键槽尺寸标注中的错误注法有 处. [图]... - 上学吧找答案

键槽和键的配合 - 半生戎马,共话桑麻, - 博客园

根据零件图上的键槽投影,选择与其装配的平键种类. [图... - 上学吧找

关于带键槽轴公差标注的请教 - 机械设计 - 机械社区 - 百万机械行业

键槽的深度是指哪段距离,附图,江湖救急,,,,_百度知道

机械制图__齿轮及键的画法ppt_word文档在线阅读与下载_无忧文档

【画图题】轴上φ20段开有gb/t1095-2003a型普通平键槽,l=18,补画图中

随机推荐

发现更多精彩图片

尊龙12岁时的少年照,从小就是盛世容颜

追查到底:黑老大持枪挟持女警,怎料竟是自己亲妹妹,瞬间愣了-影视综

请发一张你认为最丑的自拍?

2021最新的高清女生头像 (沙雕可爱类 仙气爆棚类 冷门少见动漫类合集

重楼- 云南图育农业科技有限公司

周柯宇创造营期看到周柯宇的笑心都要化了瞬间被酥到

白洋谦个人简介 春宝的身份太神秘了

线缆电缆长度测量仪供应商-电缆长度测量仪-珠海市凯美特电子有限公司

宽松牛仔裤子女2018新款搭配|哈伦宽松牛仔裤子女2018新款推荐|意思

海贼王蕾贝卡邪恶图片(你的女神排第几名) - 赤虎壹号