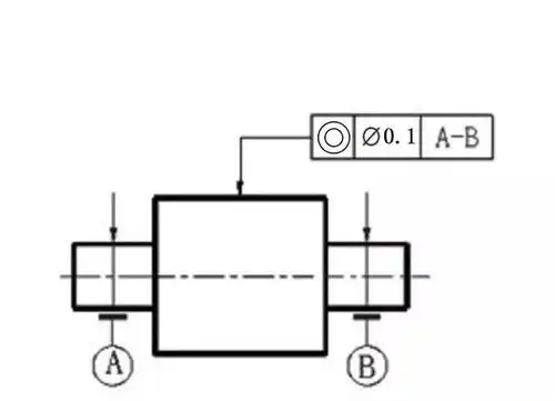
6 同轴度误差,径向圆跳动误差和端面圆跳动误差的测量

高清图片下载 免费 安全无风险
6 同轴度误差,径向圆跳动误差和端面圆跳动误差的测量

6 同轴度误差,径向圆跳动误差和端面圆跳动误差的测量

点击图片查看原图

图片信息

  • 格式: JPG
  • 尺寸: 1080x810
  • 大小: 约1.2MB

版权声明

相关标签

自然风光 高清壁纸 4K画质

分享图片

相关推荐

基于当前图片的相似推荐

同轴度测量方法说明

浅析三坐标测量同轴度方法

同轴度测量方法说明

任务六 同轴度误差,径向圆跳动误差和端面圆跳动误差的测量ppt

转动设备同轴度测量原理和应用

同轴度如何进行测量?

干货|一种关于同轴度的测量方法|三坐标测量机

用三坐标测量同轴度的方法总结【青岛三鼎】

同轴度对称度注意事项和形状公差不一样,位置公差有正负位置公差测量

随机推荐

发现更多精彩图片

问歌词梁静茹问歌词梁静茹歌谱

喜剧演员梁天:配角出身,大哥去世后接管百万债务,他经历了什么

邓丽君绝版旗袍写真太美了

物字的楷书怎么写,物的楷书书法 - 爱汉语网

这个日本娱乐节目叫什么名字啊?很恶搞啊

宋佳:穿搭帅气又性感 宋佳的穿搭既霸气又有着一丝的性感,这样的穿搭

在苏联成立之后,列宁为什么要将首都从圣彼得堡迁回莫斯科?

王源客厅狂欢巡演##王源我看见两朵一样的云

关押身高量身高备案记录图精灵为您提供条纹底纹监狱免抠素材免费下载

最新2020年微信聊天背景唯美意境图片无水印素材