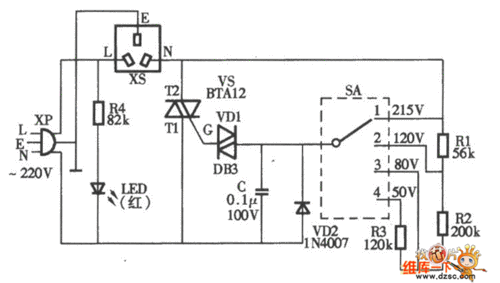
电饭锅电路图纸13_爱德

高清图片下载 免费 安全无风险
电饭锅电路图纸13_爱德

电饭锅电路图纸13_爱德

点击图片查看原图

图片信息

  • 格式: JPG
  • 尺寸: 576x261
  • 大小: 约1.2MB

版权声明

相关标签

自然风光 高清壁纸 4K画质

分享图片

相关推荐

基于当前图片的相似推荐

三角drg130节能调温多用电热锅电路图

格兰仕cfk-120a自动电热锅电路图

三角牌ccfg系列调温式电炒锅电路图

多功能不锈钢电热锅电锅家用电炒锅电蒸锅电煮锅学生

容声cfxb5090da型多用电饭锅电路图

江菱rx-8型煎炸煮饭多用电热锅电路图

如图是家用电饭煲的电路图.

电饭锅的电路接线图【相关词_ 电饭锅温控器接线图】

【图】容声cfxb50-90da电饭锅电路设计其它电路图

随机推荐

发现更多精彩图片

全面屏壁纸高清抖音超火文字壁纸潮图

仅一个男性,仅一个人,仅一个中年男性,淋浴,阴影,朦胧,模糊,光线,影子

超a御姐头像高冷气质(优选32张)

北邙乡女的意思-英语翻译-成语出处

自然赋予人类一张嘴巴,两只耳朵, 就是要我们多听少说

骷髅人简笔画 骷髅人简笔画禁毒

粉衣清宫美女古风手绘

画画画本儿童a4一年级蜡笔女孩启蒙初学者幼儿素描

疫情无情人有情--一路走好,愿天堂没有灾难.

2021牛年新年手工贺卡创意背景图

为什么在传说中变成俊男美女的总是狐狸