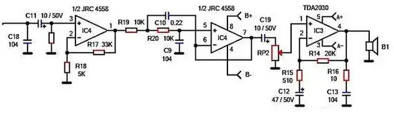
是高频滤波低通电路,只输出低频信号和极低的中高频,适合低音炮功放

高清图片下载 免费 安全无风险
是高频滤波低通电路,只输出低频信号和极低的中高频,适合低音炮功放

是高频滤波低通电路,只输出低频信号和极低的中高频,适合低音炮功放

点击图片查看原图

图片信息

  • 格式: JPG
  • 尺寸: 627x538
  • 大小: 约1.2MB

版权声明

相关标签

自然风光 高清壁纸 4K画质

分享图片

相关推荐

基于当前图片的相似推荐

这个电路能否给4558用带音调双22w低音炮电路

谁有4558d单电源电路图?

4558双声道运放电路图(六款电路图分享)

1低音炮电路图, 不要4558或5532那种.低音放大电路4558有源2.

一文详解集成运放mc4558的内部电路

ic为4558d这个电路能否给4558用带音调双22w低音炮电路

谁有2.1声道音箱电路图啊2个4558d做前级的

4558组成的vcd音频功率放大电路图

jrc4558中文资料|引脚图及功能|应用电路图

4558双声道运放电路图(六款电路图分享)

随机推荐

发现更多精彩图片

草坪上旋转的风车风景图片桌面壁纸

2021发色推荐一款妈见不打的发色茶雾棕

谢霆锋旧照曝光,真的是英俊潇洒,风度翩翩

最受欢迎的欧美硬汉风格发型图片 爷们短头发发型

ins背景图点赞的都是小仙女

荆州城市形象宣传片女主角出演《爱情公寓4》诺澜

魏紫熙人物山水作品

适合1一3岁宝宝的100个萌萌哒的简笔画

丧系抑郁女生头像动漫黑白单人图片

女生头像丨霸气可爱美少女头像

小孩发育不良导致长短腿(认识儿童习惯性擦腿动作与性早熟的区别)(5)