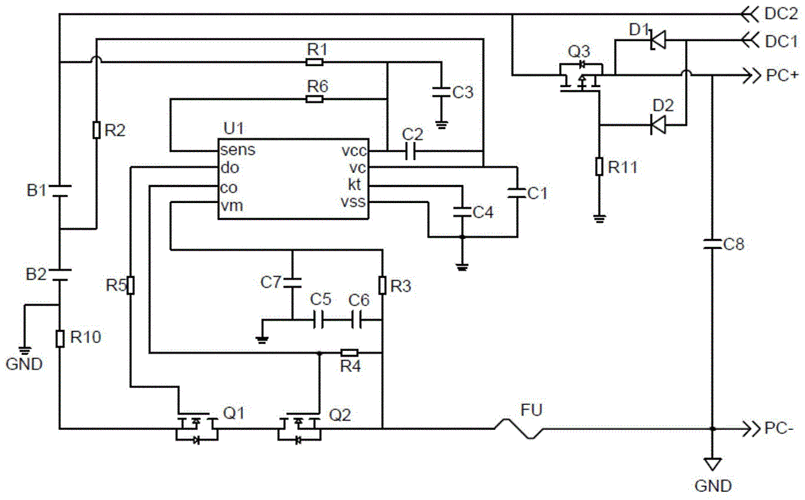
1 方案一一款极简单的锂电池充电器 该装置的电路工作原理如图2-1所示

高清图片下载 免费 安全无风险
1 方案一一款极简单的锂电池充电器 该装置的电路工作原理如图2-1所示

1 方案一一款极简单的锂电池充电器 该装置的电路工作原理如图2-1所示

点击图片查看原图

图片信息

  • 格式: JPG
  • 尺寸: 601x551
  • 大小: 约1.2MB

版权声明

相关标签

自然风光 高清壁纸 4K画质

分享图片

相关推荐

基于当前图片的相似推荐

电化学电池的randles等效电路

这两个蓄电池修复电路哪个修复效果更明显

用电路模拟电池的电路图

一种锂离子电池电路的制作方法

常见的电池均衡电路介绍

求一个能判断12v锂电池在放电的电路

镍镉电池寿命延长电路图

锂电池无线充电电路设计

用分立件做简易锂电池充电电路

5v干电池直流升压电路

12v铅酸蓄电池充电电路图问题请各位大侠帮忙分析一下

四个锂电池供电电路设计方案详图解析

随机推荐

发现更多精彩图片

男明星大全(男明星大全图片)-天晟网

男生头像高清帅气的微信头像男伤感孤独图片

李小龙将双截棍带上了辉煌,以至于国外曾一度禁止使用双截棍

龙吟师傅:厨房炉灶的风水布局原则以及10大禁忌_方位_五行_主人

男明星热度榜在这份榜单中,刘宇宁以2583.

健康成长手抄报健康成长手抄报内容字

百岁老人的沧桑写在脸上

玩—琼台师范学院附属桂林洋幼儿园小班亲子空中课堂——科学实验篇

【紫牛头条】男生被女友父亲从学校带走后死亡,警方鉴定:被刺死后焚尸